戸建フルリフォームなら「増改築.com」TOP > 施工事例 > 都道府県で探す > 東京都千代田区 > 施工事例 E様 再建築不可リノベーション

東京都千代田区の再建築不可

千代田区の再建築不可リノベーション(構造補強と外部工事まで)内装はDIY

千代田区E様 再建築不可リノベーション

住宅地としては珍しい千代田区の再建築不可リノベーション事例。

E様は別宅のお住まいでセカンドハウスとして購入された築古の空き家であった建物のリフォームを当初はDIYで進行中でした。解体を一部進めていくうちに、構造躯体が現れ、複雑さに断念。弊社にご相談が来ました。内装をDIYで工事されることをお勧めさせていただき、我々は、構造補強と内装下地までのお手伝いをさせていただきました。

E様からのご相談依頼時のメールをそのまま転載いたします。

 

千代田区にセカンドハウス(再建築不可物件)を購入しました。1Fは築60年(昭和35年築)ですが年代は不明ですが2Fに増築(お神楽)の状態でした。こちらの物件に住む予定はなく、家のあふれかえった物を収納するスペースと定年後の庭いじり用とのことでした。自ら補強をしようと床や天井を取り払い、基礎や土台、躯体を見たところ、素人では手に負えない物件と判断しました。基礎はブロックを置いてあるだけ。アンカーボルトも当然なし。土台も一部痛みが激しい。2Fの柱を受けている梁には下に柱なし、柱や梁、桁など細く貧弱など。地震のとき倒壊しご近所に迷惑を掛けないよう、基礎と土台、柱の補強をしたく思います。目的からして2Fは不要ですので、2階をおろした方が安くあがるなら、それでも結構ですし、更には内側に基礎を作り直す方が早いなら1Fが小さくなってもかまいません。家を建てた○○工務店からも見積ってもらおうかとも考えていますが、できれば知見の高い御社にお願いできればと思っています。

 

とのことでした。

建物概要
名前 E様
場所 東京都千代田区
築年数 築60年
構造種別 木造一戸建て
家族構成 大人2人 
対象面積 24坪
リフォーム部位 基礎補強/間取り変更/断熱サッシ/耐震補強/
工期 5ヶ月
価格 1700万

お客様のご要望

今回のリフォームで、E様からのご要望は以下の3点です。

  • 当初DIYでのリノベーションを検討していたため、内装はDIYでのんびりと仕上げていきたい
  • 地震が不安なので耐震補強はしっかりとやりたい
  • 防火対策にはこだわりたい。

プランナー 北畠より ~プランニングのポイント~

 

 

千代田区E様邸 戸建てリノベーション施工事例テーマカテゴリー

 

  • 再建築不可リフォーム
  • 内外部スケルトンリフォーム

打ち合わせから着工、完成までの詳細施工事例紹介

1 戸建てリノベーション着工前

1-1 現場調査・打合せ
千代田区E様 既存

建築基準法上の道路に接していない再建築不可の建物

千代田区E様 既存

千代田区内の再建築不可物件を購入されたK様

滅多に出ない千代田区で中古戸建(再建築不可)をセカンドホームとして購入されたE様。

千代田区E様 既存

外壁解体の際は足場が入らないロケーション

千代田区E様 既存

玄関正面はスペースに余裕がありました。

敷地と通路の接道も1.8m未満となっており、通路が指定道路であったとしても再建築不可となることがわかります。

E様の現場では、千代田区の超都心となり付近のコインパーキングが限られることと最も安いパーキングでも一日5000円/台でした。

このようなロケーションでの長期間のリノベーションの場合、付近の月極駐車場を探すことが多いのですが、月極も駐車場もなく、近隣の方の空き駐車スペースを交渉し貸していただきました。


千代田区E様 既存

間仕切り壁の下には布基礎が一部のみあり、ほぼ束建てとなっていました。基礎は無筋基礎となっており、基礎補修ではなく基礎補強が必要であると判断。

既存1階部分

E様は購入後、休日を利用して解体をされておられました。その為、現場調査では、主要構造部の状態を調査出来ましたので、精度の高い補強方法での提案が可能となりました。

千代田区E様 既存

土既存の横架材は尺梁で補強されていたり損傷ないため一部は利用可能と判断。


既存1階部分

千代田区E様 既存

広縁は間取り変更後にワンルームとなるため、既存の柱を抜く計画を立てました。

千代田区E様 既存

布基礎は無筋基礎のため、鉄筋コンクリート基礎でのツイン基礎補強を提案


既存2階部分

E様は二階の床も一部解体していただいている状況でしたので、気になる躯体部分のチェックはスムーズで有難い現場となりました。

千代田区E様 既存

二階の床構造を見ることが出来たため、床の補強方法を調査段階で計画が立てられます。剛床工法(根太レス工法)での補強が可能だと判断しました。

千代田区E様 既存

2階の解体が及んでいない和室部分ですが、解体箇所から予想が出来ますのでスムーズに調査が進みました。


既存屋根

千代田区E様 既存

屋根はさびて腐食が始まっているため、解体後に下地の補強、取り換えが必要と判断しました。

1-2 東京都千代田区E様邸 戸建リノベーションプラン

  間取りの変更プラン  

千代田区 戸建てリノベーション既存1階図面

1階 戸建てリノベーション前平面図

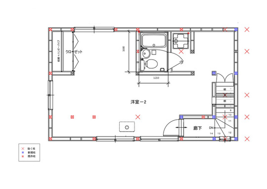
千代田区 戸建てリノベーション2階既存図面

2階 戸建てリノベーション前平面図

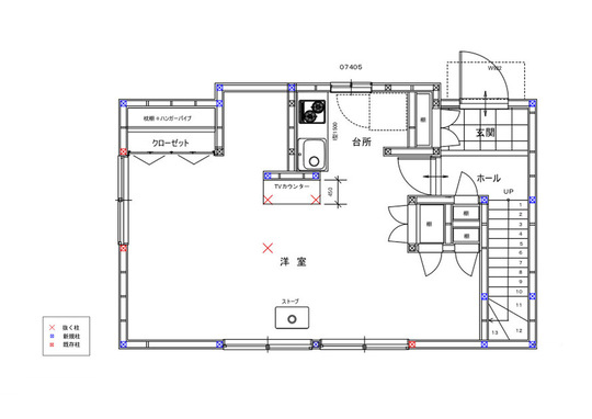
千代田区 戸建てリノベーション1階新規図面

1階 戸建てリノベーション後プラン

千代田区 戸建てリノベーション新規2階図面

2階 戸建てリノベーション後プラン

E様はコチラの物件をセカンドハウスとしてご購入されて、本宅の荷物を置いたり老後土いじりをしたりとした目的でご購入されました。プランもE様がラフでご用意して頂いておりました。荷物を置けるよう1階2階はワンフロアの様な造りになっています。この場合耐力壁が少なくなってしまうので耐震補強計画が必須になってきます。

 

2 戸建てリノベーション着工

2-1 戸建てリノベーション解体工事

解体は手壊し作業(人力解体)

千代田区のK様の戸建てフルリノベーションでは、内部のみのスケルトン解体ではなく、外壁までを解体する内外部スケルトンリフォームとなります。その為、完全な躯体残しのスケルトンリフォームとなります。

高難易度の再建築不可リノベーション実績が都内屈指の『増改築.com®』では、あらゆるロケーションでの再建築不可に対応してまいりましたが、再建築不可物件のフルリフォームやフルリノベーションで最も大変工程の一つが、解体工事と基礎工事となります。

そもそも内外部スケルトンリフォームのような躯体残しのリフォームでは、新築のような機械壊しが出来ないことから、解体職人による手壊し作業となります。それもリノベーション後の間取りを検討し、抜く柱や抜けない柱など細心の注意を払いながらの解体となります。解体の手間に加え、再建築不可のようなロケーションになると、解体した廃棄物を搬送する際に、トラックなどを現場に横付けすることはほぼできず、時には、数百メートル先のトラックまで手運びになる現場もあります。

E様邸のフルリノベーションでは一時的に車を横付けし、ある程度廃棄物がたまった状態で、処理車を手配し、短時間で搬出しました。これを何度も繰り返します。

人力解体スタート

手壊しによる解体工事がスタートしました。

千代田区E様 解体

解体スタートです。

千代田区E様 解体

一外壁は、1990年代に一世を風靡した金属サイディングが張られていました。既存の外壁は下見板張りとなっていたため、板まで剥がしていきます。

千代田区E様 解体

内部と外部を躯体状態まで解体していきます。

千代田区E様 解体

室内の解体も進んでいきます。

千代田区E様 解体

外壁は金属サイディングの下に下見板が張ってあり、リフォームで上張りをしていることがわかります。

千代田区E様 解体

下見板を剥がすと、木舞壁(土壁)が出てきました。土壁の解体は砂埃が舞うため近隣への配慮が必要です。

千代田区E様 解体

階段は上下への移動に必要なため、最後に解体します。

千代田区E様 解体

二階の床組みを解体後は合板を仮で置き足場を作って作業を進めます。

千代田区E様 解体

解体時に発生する産業廃棄物は一か所にまとめておき、搬出の際は一気に積み荷できるように準備もします。

大事な構造部のすべてが目視可能となるスケルトンリフォーム

内部の天井・壁・床だけでなく外壁まで解体しスケルトン状態(躯体残し)にする戸建てリノベーションの最大のメリットはこのような重要な主要構造部のすべての状態が目視でわかることになります。

フルリノベーション後は、これらの構造上の弱点をすべて修正し補強することで新築と同水準、もくしくはそれ以上の建物性能をもつ構造躯体へ甦らせることが可能となります。

2-2 基礎補強工事(ツイン基礎)
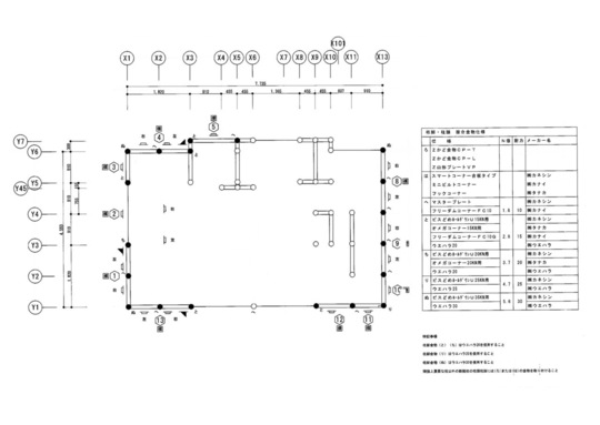
千代田区 戸建てリノベーション基礎伏せ図

基礎伏図

抱合せ基礎詳細図
抱合せ基礎詳細図
 
新設基礎補強詳細図
新設基礎補強詳細図
基礎形状
基礎形状
 
基礎補強詳細図
基礎補強詳細図
 
床下換気口部分詳細図
床下換気口部分詳細図
 

構造上のチェックが終わると、フルスケルトンリフォームでは、基礎工事へと移行していきます。

E様は、当初ベタ基礎での基礎補強をご要望されておりました。しかし、当該エリアの表層地盤増幅率を調査したところ2.6という高い数値が出たためツイン基礎での基礎補強を提案させていただきました。

 

※表層地盤増幅率(ひょうそうじばんぞうふくりつ)とは、地表面近くに堆積した地層(表層地盤)の地震時の揺れの大きさを数値化したもので、地震に対する地盤の弱さを示す。いわば地震の力を割り増しする係数であり、数値が大きいほど地盤は弱く揺れは大きくなる。一般に「1.5」を超えれば要注意で、「2.0」以上の場合は強い揺れへの備えが必要であるとされる

千代田区E様 基礎工事

現場にて基礎職人と綿密な打ち合わせを行っていきます。まずはベース部分(底面)の鋤取りを行います。

千代田区E様 基礎工事

鋤取り後は既存基礎の表面を目荒らしします。

千代田区E様 基礎工事

換気口のサイズもしっかりと計算します。

千代田区E様 基礎工事

目荒らしが完了しました。

千代田区E様 基礎工事

砕石→転圧後に、墨だしを行います。

千代田区E様 基礎工事

立ち上がり基礎への縦筋の配筋工事。

千代田区E様 基礎工事

アンカーサイズM12にて既存無筋コンクリートへ打ち太さD13の鉄筋をピッチ200㎜にて千鳥上に配筋していきます。

千代田区E様 基礎工事

上がり配筋とベース配筋が完了しました。

千代田区E様 基礎工事

L型に既存基礎に添えるように配筋することから添え基礎や抱き基礎などとも呼ばれます。配筋が完了しました。

千代田区E様 基礎工事

立ち上がり基礎への型枠を設置していきます。

千代田区E様 基礎工事

建物側面は建物の外側へツイン基礎補強を行います。室外へ型枠を設置します。

千代田区E様 基礎工事

型枠の枠工が完了するといよいよコンクリートを打設します。

千代田区E様 基礎工事

型枠を外しました。室内側に基礎が出来上がっていることがお判りいただけるかと思います。

千代田区E様 基礎工事

基礎が無かった部分へは新規基礎を立ち上げました。

千代田区E様 基礎工事

コンクリート打設後。内側に既存基礎との連結した新しい基礎ができました。

E様邸ではベタ基礎補強の要望がありましたが、ツイン基礎補強での補強をさせていただきました。

すべてがベタ基礎が良いというわけではありません。

ベタ基礎は建物全体と同程度の荷重となりますので、建物の重さとのバランスもかかわってきます。足元だけ固めていても屋根を含めた建物とのバランスが悪いと大地震が起きた際にせん断力が働き、ホールダウン金物が抜けるような事態になるケースもあるからです。

大規模な戸建てリノベーションをされる際には、木造を熟知し、実績が豊富な会社へ相談することをお勧めする理由でもあります。

千代田区E様 基礎工事

ベタ基礎って?

布基礎が立ち上がりとフーチングで持たせる基礎に対して、ベタ基礎は、立上りだけでなく、底板一面も耐圧盤を設け、立ち上がりと底面が一体化された鉄筋コンクリートになっている基礎をいいます。

建物の荷重を底板全体の面で受け止めるため、ベタ基礎は不同沈下を起こさない。といわれますが、それは良好な地盤での話です。

基礎の下の地盤面の地耐力が均一でない場合は、不同沈下が起こる可能性が充分あるのです。

 

耐震の世界では、重い瓦屋根は外して、軽いものに変えましょうと言われておりますが、それ自体は間違っていませんが、この理屈でいくと。屋根の瓦を外して、基礎はベタ基礎にしても、地盤に与える荷重は、瓦屋根以上の荷重がベタ基礎の荷重により地盤面にかかることになります。

地盤が軟弱な場合、布基礎を採用した方が有利な場合も出てきます。

そもそも正しい基礎補強方法を知らず、基礎補補修程度しか行わないリフォーム会社が多くを占めている現状ですが、

戸建て一軒家のリノベーションで、基礎補強をする際は、このような知識のある会社に相談することが必要です。

2-3 木工事(木構造補強工事)
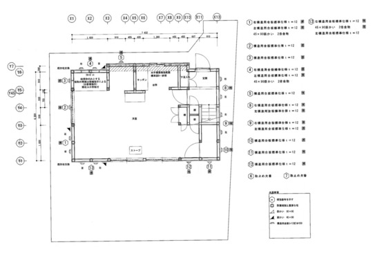
千代田区 金物仕上げ柱位置図面
1階金物仕上及び柱位置
千代田区 2階金物仕上げ柱位置図面
2階金物仕上げ及び柱位置
 
千代田区 1階補強後図面
1階補強後
千代田区 2階補強後図面
2階補強後
 

基礎が終わり大工工事へと移行します。構造躯体の強度を担保するためのメイン工事となります。上部構造評点1.5以上での計画となります。

千代田区E様 大工工事

構造体を大胆に組みなおしていきます。

千代田区E様 大工工事

主要構造部の組みなおし、E様の現場では通し柱も新たに組みなおしたため、桁と梁等の横架材も新たに組みなおしました。

千代田区E様 大工工事

E様の現場では通し柱を2本撤去しましたので横架材も大幅に新規で組みなおしています。

千代田区E様 大工工事

1階は大空間のワンルームとなるため補強計画に基づき、尺梁を入れていきます。

千代田区E様 大工工事

補強完了までは仮筋交を入れ、借り補強を行いつつ補強工事を行います。

千代田区E様 大工工事

2階へも梁補強を行います。

千代田区E様 大工工事

既存の構造躯体と新たな構造材とをくみ上げていくのが戸建てフルリフォームでの大工の技量の問われるところになってきます。

千代田区E様 大工工事

間取りの中心となる室内の主要構造体の組みなおしが組みあがってきました。

千代田区E様 大工工事

室内の構造体の木組みが完了すると外回りへの構造用合板を全面張りします。

千代田区E様 大工工事

二階は強床工法とし水平耐力を満たす施工で対応させていただきました。

千代田区E様 大工工事

土台と柱へはホールダウン金物を配置、土台はアンカーボルトを固定します。

渋谷区K様邸のフルリノベーションでは、布基礎の新設部分が多いことから、新たに基礎配筋が出来ました。
その為、室内の内壁はすべて壁倍率2.5倍の構造用合板を張り、外周面との両面張りで壁倍率5倍での構造計算となりました。剛構造のためホールダウン金物や釘の指定を守り施工をさせていただきました。

2-4 断熱工事

千代田区E様の戸建てリノベーションでの断熱材は、グラスウールを採用。
グラスウールは大変コストパフォーマンスの良い断熱材ですが、施工には大変注意が必要です。隙間なく充填することが絶対条件となります。

千代田区E様 断熱工事

E様邸の戸建てフルリノベーションでの床断熱は、押出法ポリスチレンフォーム50㎜を採用しました。

千代田区E様 断熱工事

一階、二階の外周面の壁と二階天井へグラスウール充填しました。

千代田区E様 断熱工事

隙間なく充填していきます。

千代田区E様 断熱工事

グラスウールの充填が完了しました。

2-5 外壁・屋根リノベーション工事
千代田区E様 外壁・屋根工事

E様邸の戸建てフルリノベーションでは、構造計算書の指示従い外壁面は構造用合板を全面張りにて施工しました。

千代田区E様 外壁・屋根工事

全面ガルバリウム鋼板張り

千代田区E様 外壁・屋根工事

屋根は腐食が激しいため撤去後、野地板を張り直しました。ルーフィングを張っていきます。

千代田区E様 外壁・屋根工事

屋根仕上げはガルバリウム鋼板を横葺き仕上げ

2-6 造作工事
千代田区E様 造作工事

E様邸の戸建てフルリノベーションでは仕上げをDIYでゆっくりと仕上げていきたいご要望がありましたので、壁はプラスターボードまでとなりました。

千代田区E様 造作工事

一階、二階の床も構造用合板の捨て貼りまでとしました。

千代田区E様 造作工事

建具も極力ない形で空間を広く取りたいご要望からシンプルに仕上げました。

千代田区E様 造作工事

サッシは複合サッシを設置しました。

E様が今回購入された建物は、セカンドハウスとのことで、完成を急いでおりませんでした。のんびりとDIYで仕上げ工事を楽しみたいとのご要望を初期の段階からお伺いしておりましたので、内部の工事については下地工事までとなります。

3 戸建てリノベーション竣工(内装はDIYの為、外観までとなります)

約5か月の工事を経て、いよいよ竣工です。
超都心の築60年の再建築不可物件の戸建てがどのように生まれ変わったのか。
E様邸の建物の様子をご紹介します。


  =外観==  

千代田区E様 竣工

玄関ドアの廻りは不燃のパネリングで納めて表情を作ってます。

千代田区E様 竣工

1階LDKと和室の掃き出しには、都心の佇まいの中でしっかりと採光が入ります。断熱性能の高いサッシを使用しております。


Before
千代田区E様 既存

既存建物は昔ながらの造りでした。下見板にサイディングが上張りされている建物でした。



4 担当者より
(「増改築.com®」本部ハイウィル株式会社四代目代表稲葉高志)

E様は千代田区に築60年のセカンドハウス(再建築不可物件)を購入され、2Fにお神楽増築をされた状態でした。自ら補強をしようと床や天井まで解体をしたいたところ基礎や土台、躯体を見たところで手に負えないと判断されご依頼が来ました。お神楽増築のため、通し柱を入れなおし補強いたしました。基礎はブロックを置いてあるだけという個所もあり、補強だけでなく新たに基礎を新設した部分もございました。弊社の場合、建築士や職人といった同業者からの依頼もおおくそのようなケースでは、構造体の構造補強計画(耐震補強)と断熱改修(Ua値指定)のみ、つまり建物のハコ部分の性能向上工事のみを施工させていただくケースも多いため、あまり珍しいケースではありません。結果として、上部構造評点は1.5以上での耐震補強となり、E様にも大変お喜びいただきました。工事が完了後にE様のお勤めの会社よりたまたまメールをいただいて驚いたのが、誰もが知る自動車メーカーの幹部の方であったということです。ご引退後にセカンドハウスとして安心してお使いいただければと考えております。「ありがとうございます。」というお言葉を頂きうれしい気持ちになりました。

E様、この度はご依頼をいただき、誠にありがとうございました。

この事例と似たテーマカテゴリーを見る

全国のフルリフォーム・リノベーション『ピックアップ事例』※プロの詳細解説付きレポート

HEAT20-G2/耐震等級3
新耐震基準の性能向上リノベーション
築30年ハウスメーカー軽量鉄骨
断熱改修&リノベーション
 
中古住宅を新築以上の耐震性能と断熱性能へ!
耐震等級3フルリフォーム
地下付き木造2階建て
自然素材をつかった性能向上リノベーション&フルリフォーム

東京都文京区 K様邸

長屋を切り離して1つの構造体へフルリフォーム&リノベーション
隣家との距離がない!
部屋から外壁を張り替えるフルリノベーション
中古住宅を耐震等級3へ!
中古住宅リノベーション
 
基礎がない??
築60年の古屋をジャッキアップで基礎新設フルリノベーション

東京都渋谷区 O様邸

戸建てリノベーション・リフォームに関するお問合せはこちら

増改築.comの一戸建てリフォーム専用ホームページに
お越しいただき、誠に有難うございます。
 
増改築.comメンバーは技術集団となり、
他社のような営業マンがおりません。
技術者が直接ご相談にのり問題解決を行います。
 
従いまして、
お客様の方である程度のご要望が整理されました段階、
お悩みが工事内容のどのようなところにあるのか?
ご予算がどの程度絞る必要があるのか?
など明確になった段階でのご相談をお願いしております。
お問合せ・ご相談はお電話・メールにて受け付けております。
メールの場合は以下のフォームに必要事項をご記入の上、
「送信する」ボタンをクリックをお願いします。

代表稲葉高志

戸建てリノベーションの専属スタッフが担当致します。
一戸建て家のリフォームに関することを
お気軽にお問合せください

よくあるご質問
  • 他社に要望を伝えたところできないといわれたのですが・・・
  • 他社で予算オーバーとなってしまい要望が叶わないのですが・・・
  • サービスについて詳しく聞きたいのですが・・・

どのようなお悩みのご相談でも結構です。

あなたの大切なお住まいに関するご相談をお待ちしております。

営業マンはおりませんので、しつこい営業等も一切ございません。

設計会社(建築家様)・同業の建築会社様のご相談につきましては、プランと共にご指定のIw値及びUa値等の性能値の目安もお願い申し上げます。

2026年の大型補助金が確定したことで現在大変込み合っております。

耐震性能と断熱性能を向上させるフルリフォームには6か月~7か月の工期がかかります。

補助金獲得には年内に報告を挙げる必要があることから、お早目にご相談をお願いいたします。(6月着工までが目安

ご提案までに大変お時間がかかっております。ご了承のほどお願い申し上げます。

(5月までの着工枠が埋まりました)・・・2026/03/01更新

※すでにプランをお持ちのお施主様・設計資料をお持ちのお施主様は内容をフォームで送信後、フォーム下のメールアドレスに資料をお送りください。対応がスムーズです。

必須

(例:増改築太郎)

必須

(例:contact@high-will.co.jp)

(例:03-5615-2826)

必須

(例:東京都荒川区西日暮里2-35-1)

(例:築40年)

(例:25坪・100㎡など)

(例:2000万程度など)

  • ※再建築不可のリフォームでは金融機関が限られます。事前審査をお勧めいたします。

    (例:2024年3月くらいに完成希望など)

    必須

    できるだけ具体的にお知らせくださいませ。既存設計資料、リフォーム後のイメージ図等をお持ちであれば下記のメールアドレスより添付をお願いします。

    ※次の画面がでるまで、4~5秒かかりますので、
    続けて2回押さないようにお願いいたします。

    ※次の画面が出るまで、4〜5秒かかりますので、
    続けて2回押さないようにお願いいたします。

    図面や写真等を送信いただく場合、また入力がうまくいかない場合は、上記内容をご確認のうえ、下記メールアドレスまでご連絡ください。

    お電話でのお問合せはこちら

    0120-246-991

    営業時間:10:00~17:00(土日祝日を除く)

    ★YouTube「増改築.comチャンネル」チャンネル登録して新動画解説をいち早くGET!!★
    「増改築.comリノベ診断」であなたに一番ふさわしいフルリフォームを診断!!(動画解説付き)
    ★Facebookページにいいね!を押して最新コンテンツ情報をいち早くGET!!★
    パソコン|モバイル
    ページトップに戻る