戸建てフルリフォームなら「増改築.com®」TOP施工事例都道府県で探す東京都渋谷区> T様 再建築不可戸建て性能向上リノベーション施工事例(耐震等級3・HEAT20G2

 
再建築不可でも新築以上の耐震性能と断熱性能に生まれ変わる!

狭小住宅戸建て性能向上リノベーション施工事例(耐震等級3・HEAT20G2

狭小住宅戸建て性能向上リノベーション施工事例(耐震等級3・HEAT20G2|戸建てフルリフォームなら増改築.com®

渋谷区の戸建てリノベーションの狭小住宅現状、

T様の性能向上リノベションの経緯

渋谷区、都心の中心部に位置するこのエリアは、日々の生活の中で都心ならではの騒音やプライバシーの問題が生じやすい場所です。多くの家庭が、外部からの騒音を軽減するための対策を求めています。

T様も、この都心特有の騒音問題を解決するため、セルロースファイバーという断熱材を採用しました。セルロースファイバーは、騒音を吸収する効果があり、また自然素材であるため、健康面でも安心して使用できます。さらに、T様は健康を第一に考え、残熱材も自然素材を選択。家の中の空気環境をより快適に保つための工夫が施されています。また、家具や造作材には無垢材を使用し、自然の温もりを感じることができる空間を実現しました。

都心の狭小住宅は、土地の制約から庭を持つことが難しい場合が多いです。T様の家もその例外ではありませんでした。しかし、T様はこの制約を逆手に取り、既存の屋根を解体して屋上ルーフバルコニーを設けることで、開放的な空間を手に入れました。このバルコニーは、都心の喧騒を忘れさせるようなリラックスできる場所となっており、T様やお母さまの憩いの場として大変重宝しています。

このように、T様のリノベーションは、都心の狭小住宅という制約を乗り越え、快適で健康的な生活を実現するための工夫が随所に見られます。それは、T様の明確な要望と、専門家との綿密な打ち合わせの結果であり、成功の秘訣と言えるでしょう。

建物概要
名前 T様
場所 東京都渋谷区
築年数 築50年
構造種別 木造一戸建て
家族構成 大人2人 
対象面積 16坪
リフォーム部位 基礎補強/間取り変更/断熱サッシ/セルロースファイバー/屋上テラス/耐震補強/外構
工期 6ヶ月
価格 3370万(税別)

お客様のご要望

今回のリフォームで、T様からのご要望は以下の5点です。

  • 無垢材など自然素材を使用し温かい雰囲気にしたい
  • 地震が不安なので耐震補強はしっかりとやりたい
  • 断熱材にはこだわりたい。
  • ベタ基礎にしたい。
  • 既存屋根を壊して屋上をテラスにしたい。

プランナー 北畠より ~プランニングのポイント~

T様のリノベーションの際、最も重要視したのは、お母さまの日常生活を快適に過ごせる空間の確保でした。都心の狭小住宅という制約の中で、どのように生活の質を高めるかを考え、以下のポイントを中心にプランニングしました。

一階のLDKの確保:お母さまが日常的に最も使用するLDKを一階に配置しました。これにより、階段の昇降を最小限に抑え、日常生活をスムーズに過ごせるようにしました。

LDKの快適性の追求:長時間過ごすLDKでは、開放感や採光、通風を重視。また、使い勝手の良いキッチンやリビングの配置を工夫し、生活の質を向上させました。

お嬢様用のお部屋の確保:お嬢様が頻繁に訪れることを考慮し、二階にゲストルームとしての機能も持たせたお部屋をプランしました。これにより、家族やゲストが訪れた際にも、プライバシーを保ちつつ、快適に過ごせる空間を確保しました。

屋上の活用:都市部では貴重な屋上空間を、法規を遵守しつつ、リラックスできる場所としてプランニング。都心の喧騒を忘れるような、開放的な空間を実現しました。

これらのポイントを基に、T様のご家族が快適に過ごせる住まいを実現するためのプランを考えました。

 

渋谷区T様邸 戸建てリノベーション施工事例テーマカテゴリー

  • 再建築不可リフォーム
  • 耐震等級3相当(上部構造評点1.5以上)リフォーム(性能向上リノベーション)
  • HEAT20-G2リフォーム(性能向上リノベーション)
  • 狭小住宅リフォーム
  • 屋根を屋上リフォーム
  • セルロースファイバー仕様
  • 自然素材
  • 減築リフォーム

打ち合わせから着工、完成までの詳細施工事例紹介

1 着工前

1-1 現場調査・打合せ

再建築不可の建物に対するリノベーションは、単なる建物の修繕以上の意味を持ちます。ハイウィル株式会社が数多くの施工経験を持つ中で特に重視しているのは、以下の調査ポイントです。

建物の構造と状態の調査:建物の耐震性や老朽化の度合い、構造材の状態など、建物の基本的な情報を詳細に調査します。これにより、どのようなリノベーションが可能か、またどのような対策が必要かを判断します。

ロケーションの調査:再建築不可の建物は、その場所にとどまることが前提となります。そのため、周辺環境や、日当たりや風通し、近隣の建物との関係など、ロケーションに関する多角的な調査を行います。

法的制約の確認:都市計画法や建築基準法など、再建築不可の建物に関わる法的な制約をしっかりと確認します。

これにより、リノベーションの際の制約や可能性を明確にします。

これらの調査を通じて、ハイウィル株式会社は、再建築不可の建物に新たな価値をもたらすリノベーションを実現しています。

東京都渋谷区 T様邸 既存
東京都渋谷区 T様邸 既存
東京都渋谷区 T様邸 既存
東京都渋谷区 T様邸 既存
東京都渋谷区 T様邸 既存
東京都渋谷区 T様邸 既存
東京都渋谷区 T様邸 既存
東京都渋谷区 T様邸 既存
東京都渋谷区 T様邸 既存

1-2 東京都渋谷区T様邸 戸建リノベーションプラン

  間取りの変更プラン  

東京都渋谷区 T様邸 既存平面図

1階 既存平面図

東京都渋谷区 T様邸 既存平面図

2階 既存平面図

東京都渋谷区 T様邸 新規平面図
東京都渋谷区 T様邸 新規平面図
東京都渋谷区 T様邸 新規平面図
東京都渋谷区 T様邸 減築部分
東京都渋谷区 T様邸 減築部分

T様宅のリノベーションにおいて、特有の課題として「越境しての増築」が存在していました。

越境とは、敷地の境界を超えて隣接する土地に建物や構造物がはみ出してしまうことを指します。セットバックとは状況が異なります。このような状態は、法的に許可されていないため、適切な対応が必要となります。

公道に越境していることから役所との協議:越境問題を解決するため、まずは役所との協議を行いました。この協議の中で、具体的な越境の状況や対応策について詳細に話し合いました。

越境部分の減築:協議の結果、越境している部分の減築を行うことが決定されました。減築とは、建物の一部を取り壊して、法的に問題のない状態に戻すことを指します。この作業には、専門的な技術と経験が求められます。

再構築の検討:減築後の空間の構造計画を再度検討することも必要です。T様の要望や生活スタイルを考慮しながら、最適なプランを提案しました。このような越境問題は、都市部の狭小地に建つ住宅ではよく見られる課題の一つです。ハイウィル株式会社は、このような複雑な問題にも柔軟に対応し、T様の住まいを法的にも安全で快適なものにするためのサポートを行いました。

2 着工

2-1 足場・解体

解体は手壊し作業

フルスケルトン解体とは、文字通り建物の「骨組み」だけを残し、それ以外の部分をすべて取り払う大規模な解体工事を指します。

この工事は、一般的な内部解体とは異なり、外壁までをも解体するため、その作業の大変さは想像を超えるものがあります。まず、フルスケルトン解体の最大の特徴として、手壊し解体が挙げられます。機械を使用する通常の解体とは異なり、手壊し解体は文字通り「手」で行う解体作業です。これには、専門的な技術と経験が必要とされ、作業員の技量が問われる作業となります。特に、木造の家では、古い建材や釘の位置、木の経年変化など、さまざまな要因が作業の難易度を上げる要因となります。また、手壊し解体は、近隣への騒音や振動の配慮が必要となるため、機械を使用する解体よりも時間がかかる場合が多いです。しかし、その分、近隣住民への迷惑を最小限に抑えることができるのが大きなメリットです。

フルスケルトン解体の際には、解体する部分と残す部分の境界を明確にすることが重要です。誤って必要な部分を壊してしまうと、後のリノベーション作業に大きな影響を及ぼす恐れがあります。そのため、事前の打ち合わせや、解体作業中の連携が非常に重要となります。このような大変さの中、なぜフルスケルトン解体を選ぶのか。

それは、建物の基本構造を生かしつつ、新しい設計や機能を取り入れることができるからです。古い建物の良さを残しつつ、新しいライフスタイルやニーズに合わせたリノベーションが可能となります。T様の家も、このフルスケルトン解体を採用することで、新しい生活スタイルや要望を取り入れつつ、古い家の良さや歴史を残すことができました。このような解体工事は、専門的な知識や技術が求められるため、経験豊富な専門家との連携が不可欠です。

東京都渋谷区 T様邸 解体工事
東京都渋谷区 T様邸 解体工事
東京都渋谷区 T様邸 解体工事

解体後の躯体チェック

スケルトン状態になった後の木造躯体のチェックは、性能向上リノベーションにおいて非常に重要な工程となります。

このチェックの精度が低いと、後の工程での安全性や品質に大きな影響を及ぼす恐れがあります。まず、性能向上リノベーションでは、建物全体の構造計算を行い、構造評点を1.5以上で計画することが基本となります。この構造評点は、建物の耐震性能を示す指標であり、高い数値ほど安全性が高いとされています。しかし、この計算だけでは十分ではありません。実際の建物の状態を確認し、計画通りの工事が行えるかどうかの確認が必要です。そのため、N値算定という引抜き耐力の算定を行い、それぞれの柱に設置する引抜金物の耐力を指定します。このN値は、柱や梁などの構造体が外力に対してどれだけの力を持っているかを示す指標です。この値が低いと、地震などの外力に対して建物が崩れやすくなる恐れがあります。

しかし、解体後の躯体チェックが甘いと、痛んでいる構造体に金物を設置することになりかねません。痛んでいる構造体に金物を設置すると、その部分が弱点となり、地震などの際に崩れるリスクが高まります。また、図面と実際の建物の状態が異なることも少なくありません。例えば、図面上では柱が設置されている位置に実際には柱がない、または逆に図面上にはない位置に柱が設置されているといったケースが考えられます。

このような状況を避けるためにも、解体後の躯体チェックは非常に重要です。ハイウィルでは、担当する大工と自社の設計者に加え、外部の木造専門の構造事務所の専門家が実際の建物を確認し、図面との差異や痛んでいる部分を正確に把握し、共有をします。この期間で1か月程度を要することもしばしばあります。しかし、このチェックが後の工程での安全性や品質を確保することができると考えています。このチェックは、専門的な知識や経験が求められるため、経験豊富な専門家との連携が不可欠です。

東京都渋谷区 T様邸 解体後の躯体チェック
東京都渋谷区 T様邸 解体後の躯体チェック
東京都渋谷区 T様邸 解体後の躯体チェック

大事な構造部のすべてが目視可能となるスケルトンリフォーム

内外部のスケルトンリフォームの最大のメリットはこのような重要な主要構造部のすべての状態が目視でわかることになります。

フルリノベーション後は、これらの構造上の弱点をすべて修正し補強することで新築と同水準、もくしくはそれ以上の建物性能をもつ構造躯体へ甦らせることが可能となります。

2-2 基礎

構造上のチェックが終わると、フルスケルトンリフォームでは、基礎工事へと移行していきます。

基礎補強は、建物の安全性を確保するための最も重要な工程の一つです。特に、添え基礎補強は、既存の基礎に新たな基礎を追加することで、建物の耐震性や耐久性を向上させる方法として注目されています。しかし、現在のリフォーム業界では、この基礎補強を適切に行うことができる会社は少ないのが実情です。

東京都渋谷区 T様邸 基礎伏図
東京都渋谷区 T様邸 基礎伏図

基礎補強の工程は、以下のように進行します。

根切りを行い、既存の基礎の周りを掘り下げ、新たな基礎を設置するためのスペースを確保します。この際、既存の基礎の状態や地盤の状態を確認し、適切な深さまで掘り下げることが重要です。そして掘り下げた部分に、鉄筋を配置します。この鉄筋は、新たな基礎の強度や耐久性を確保するためのもので、適切な位置や間隔で配置することが求められます。そしてベース配筋の上に、立ち上がりとなる鉄筋を配置します。この立ち上がり配筋は、新たな基礎が既存の基礎としっかりと結合するためのもので、非常に重要な役割を果たします。鉄筋やアンカーボルトを配置した後、型枠を設置します。この型枠は、新たな基礎の形状を作るためのもので、適切な大きさや形状で設置することが重要です。型枠が終わると型枠の中に、生コンクリートを打設します。この際、コンクリートが均一になるように、適切な混合や打設方法を選択することが求められます。そしてコンクリートの湿潤期間を経て、型枠を取り外します。この際、コンクリートが傷つかないように注意しながら、型枠を取り外すことが重要です。

以上の工程を経て、基礎補強が完了します。この基礎補強は、建物の安全性や耐久性を確保するための非常に重要な工程であるため、専門的な知識や経験が求められます。適切な基礎補強を行うことで、無筋基礎は約30%程度の耐力アップをすることが可能となります。建物の寿命を延ばすだけでなく、地震などの災害から家族を守ることができます。

東京都渋谷区 T様邸 基礎工事
東京都渋谷区 T様邸 基礎工事
東京都渋谷区 T様邸 基礎工事
東京都渋谷区 T様邸 基礎工事
東京都渋谷区 T様邸 基礎工事
東京都渋谷区 T様邸 基礎工事
東京都渋谷区 T様邸 基礎工事

T様邸では当初ベタ基礎を要望されました。

すべてがベタ基礎が良いというわけではありません。

ベタ基礎は建物全体と同程度の荷重となりますので、建物の重さとのバランスもかかわってきます。足元だけ固めていても屋根を含めた建物とのバランスが悪いと大地震が起きた際にせん断力が働き、ホールダウン金物が抜けるような事態になるケースもあるからです。また地盤の改良を行わない性能向上リノベーションでは、地盤が良好ではない状態でベタ基礎補強をすることは必ずしも良いとは言えないケースもあります。

大規模な戸建てリノベーションをされる際には、木造を熟知し、実績が豊富な会社へ相談することをお勧めする理由でもあります。

ベタ基礎って?

布基礎が立ち上がりとフーチングで持たせる基礎に対して、ベタ基礎は、立上りだけでなく、底板一面も耐圧盤を設け、立ち上がりと底面が一体化された鉄筋コンクリートになっている基礎をいいます。

建物の荷重を底板全体の面で受け止めるため、ベタ基礎は不同沈下を起こさない。といわれますが、それは良好な地盤での話です。

基礎の下の地盤面の地耐力が均一でない場合は、不同沈下が起こる可能性が充分あるのです。

耐震の世界では、重い瓦屋根は外して、軽いものに変えましょうと言われておりますが、それ自体は間違っていませんが、この理屈でいくと。屋根の瓦を外して、基礎はベタ基礎にしても、地盤に与える荷重は、瓦屋根以上の荷重がベタ基礎の荷重により地盤面にかかることになります。

地盤が軟弱な場合、布基礎を採用した方が有利な場合も出てきます。

戸建てフルリフォームやリノベーションで、基礎補強をする際は、このような知識のある会社に相談することが必要です。

2-3 屋上テラス

屋上バルコニーの設置は、都市部の狭小住宅において、有効な居住空間を増やすための一つの方法として注目されています。特に、T様のように庭がない狭小住宅では、屋上をバルコニーやテラスとして活用することで、開放的な空間を手に入れることができます。 以下、屋上バルコニー工事の主要な工程と、金属防水の採用理由について詳しく解説します。

<屋根の解体>

まず、既存の屋根を解体します。この際、屋根の構造や材料、屋根の下にある設備や配管などを確認しながら、慎重に解体を進めます。 屋上の下地作り 解体した屋上の下地を整えます。この下地作りは、新たに設置するバルコニーの安定性や耐久性を確保するための重要な工程です。

<金属防水の施工>

屋上の下地に金属防水を施工します。金属防水は、木造の屋根において、以下のような理由から採用されることが多いです。

耐久性: 金属防水は、紫外線や風雨に強く、長期間にわたって防水性能を維持することができます。また地震その際に防水層が捻じれに対して有効に働く事から亀裂が入らない強みがあります。

メンテナンス性: 金属防水は、他の防水材に比べてメンテナンスが容易であり、定期的な点検や補修が簡単に行えます。

安全性: 金属防水は、火災の際の延焼を防ぐ性質があり、木造住宅においては特に安全性が高まります。

<バルコニーの設置>

金属防水の施工が完了したら、バルコニーの設置を行います。この際、バルコニーの形状や大きさ、材料などを考慮しながら、適切な位置や角度で設置を進めます。

<仕上げ工事>

バルコニーの設置が完了したら、仕上げ工事を行います。この際、バルコニーの床材や手すり、照明などの設備を取り付け、快適な居住空間を作り上げます。

以上の工程を経て、屋上バルコニーの設置が完了します。この工事は、居住空間を増やすだけでなく、住まいの価値を向上させるための有効な方法として、多くの住宅オーナーに選ばれています。

東京都渋谷区 T様邸 屋上テラス工事
東京都渋谷区 T様邸 屋上テラス工事
東京都渋谷区 T様邸 屋上テラス工事
東京都渋谷区 T様邸 屋上テラス工事
東京都渋谷区 T様邸 屋上テラス工事
東京都渋谷区 T様邸 屋上テラス工事
東京都渋谷区 T様邸 屋上テラス工事
東京都渋谷区 T様邸 屋上テラス工事
東京都渋谷区 T様邸 屋上テラス工事
東京都渋谷区 T様邸 屋上テラス工事
東京都渋谷区 T様邸 屋上テラス工事
東京都渋谷区 T様邸 屋上テラス工事
2-4 木工事

基礎が終わり大工工事へと移行します。構造躯体の強度を担保するためのメイン工事となります。

 

東京都渋谷区 T様邸 補強図

1階 補強図

東京都渋谷区 T様邸 補強図

2階 補強図
 

東京都渋谷区 T様邸 補強図

1階 構造金物配置図

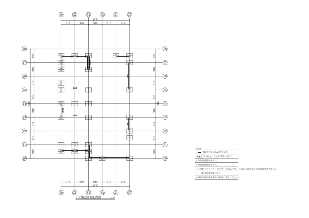
東京都渋谷区 T様邸 補強図

2階 構造金物配置図
 

木造住宅のリノベーションにおいて、大工工事は最も重要な工程の一つとなります。この工程では、既存の構造体を新たな間取りや設計に合わせて組み換える作業や、構造体の補強を行います。特に、地震に強い住宅を目指す場合、引抜き金物の設置やそのチェック検査は欠かせない作業となります。

<構造体の組み換え>

まず、新たな間取りや設計に合わせて、既存の構造体を組み換えます。この際、耐震性や使い勝手を考慮しながら、柱や梁の位置を変更することが多いです。

<構造体の補強>

組み換えた構造体を補強します。特に、地震による揺れに強い住宅を目指す場合、この補強作業は非常に重要です。

<引抜き金物の設置>

N値算定に基づき、引抜き金物を設置します。これは、地震の際に構造体が動かないように固定するための金物で、正確な位置や角度での設置が求められます。特に、引抜き金物は構造体の強度や安全性を確保するための重要な部品となるため、設置作業は非常に慎重に行われます。

<チェック検査>

引抜き金物の設置後、その位置や角度、強度などをチェックする検査を行います。この検査は、住宅の安全性を確保するための非常に重要な工程となります。正確な設置が確認された後、次の工程に進むこととなります。

以上の工程を経て、木工事(大工工事)は完了となります。この工程は、住宅の安全性や快適性を向上させるための基盤となる作業であり、専門的な知識や技術が求められるため、経験豊富な大工や技術者によって行われます。

東京都渋谷区 T様邸 木工事
東京都渋谷区 T様邸 木工事
東京都渋谷区 T様邸 木工事
2-5 断熱工事(セルロースファイバー)

断熱工事は、耐震工事と並ぶ性能向上リノベーションの最重要テーマとなります。

断熱性能を高めることで、冬の寒さや夏の暑さから住まいを守り、快適な生活空間を実現するだけでなく、エネルギー消費を抑えることで環境にも優しい住まいとなります。

T様のお住まいにおいては、以下のような断熱材や設備を採用し、高い断熱性能を実現しました。

  1. 〇床の断熱材
    床には、75㎜のラムダを採用しました。ラムダは、高い断熱性能を持つ断熱材であり、冷気の侵入を効果的に防ぐことができます。

  2. 〇外周面の壁と最上階の天井の断熱材
    外周面の壁と最上階の天井には、極力自然素材を使用したいとのご要望がありました為、新聞紙を原材料としたエコ素材でありながら「断熱」「防音」「防燃」「防虫」「防湿」の効果を併せ持つセルロースファイバーを採用しました。セルロースファイバーは、再生紙を主原料とした環境に優しい断熱材であり、優れた断熱性能とともに、湿度調整機能も持っています。これにより、室内の湿度を適切な範囲に保ち、快適な生活空間を実現します。

  3. 〇断熱サッシ
    T様のお住まいは準防火エリアに位置しているため、樹脂サッシの防火タイプを採用する必要がありました。具体的には、YKKAPのAPW330防火を選択しました。このサッシは、防火性能を持ちながらも、高い断熱性能も確保しています。

これらの断熱材や設備の採用により、T様のお住まいはHEAT20G2の基準をクリアする高い断熱性能を実現しました。これにより、一年を通しての快適な室内環境と、エネルギーの効率的な利用が可能となりました。

 

東京都渋谷区 T様邸 断熱工事セルロースファイバー
東京都渋谷区 T様邸 断熱工事セルロースファイバー
東京都渋谷区 T様邸 断熱工事セルロースファイバー
2-6 外壁工事

外壁は住まいの顔とも言える部分であり、デザインだけでなく、耐久性や断熱性、防水性などの機能性も重要となります。T様の住まいにおいても、外壁工事は特に重視されたポイントの一つでした。

 

下地の選択

外壁の下地には、T様の希望である自然素材を尊重し、断熱材のセルロースファイバーとの相性を考慮して、モイスを採用しました。モイスは、湿度を調整する機能を持ち、セルロースファイバーとの組み合わせにより、室内の湿度バランスを保ちながら、高い断熱性能を発揮します。

乾式工法のタイル

引っ掛け工法の採用 多くの住宅では湿式工法が採用されることが多い中、T様は乾式工法のタイル 引っ掛け工法を選択されました。この工法は、タイルを直接壁に引っ掛ける方法で、湿式工法と比べて施工が簡単で、乾燥時間も不要です。また、タイルの裏面が壁面と直接接触しないため、通気性が良く、結露のリスクを低減できます。 

このように、T様の住まいの外壁工事は、デザイン性と機能性を両立させることを目指し、最新の工法と自然素材の組み合わせにより、長持ちするだけでなく、住む人の健康や快適性も考慮された施工が行われました。

東京都渋谷区 T様邸 外壁工事
東京都渋谷区 T様邸 外壁工事
東京都渋谷区 T様邸 外壁工事
東京都渋谷区 T様邸 外壁工事
東京都渋谷区 T様邸 外壁工事
2-7 造作工事

T様邸では、内装に自然素材である赤松の無垢材が採用されました。

赤松の造作工事は、その特性を最大限に活かすことで、室内の快適性を向上させることができます。特に、赤松の板は、蓄熱効果を最大限に発揮するための30㎜の厚さが採用されています。この蓄熱効果は、赤松の特有のハニカム構造に起因しています。このハニカム構造は、空気層が大きく、熱を伝えにくい空気が詰まっているため、夏は涼しく、冬は暖かく感じることができます。

T様のお住まいでは、床材としてこの赤松の板を採用することで、床暖房を必要としない快適な空間を実現しました。また、赤松の板は、その緻密な材質と空気の多さが蓄熱性を示す一つの指標となっています。このような特性を持つ赤松の板は、冬の寒さを和らげ、夏の暑さを遮断する効果があります。

最後に、無垢材や自然素材の使用は、最近見直されてきています。しかし、これらの素材を使用する際には、塗装の有無や各種塗料の性質についても考慮する必要があります。特に、ウレタン塗装などで完全にコーティングしてしまうと、木の温かみを感じることができなくなってしまいます。そのため、せっかくの木の特性を活かすためにも、適切な塗装方法を選ぶことが重要です。

東京都渋谷区 T様邸 内部造作工事
東京都渋谷区 T様邸 内部造作工事
東京都渋谷区 T様邸 内部造作工事

3 竣工

6か月という長い工期を経て、その間には数々の困難や予期せぬ出来事があったものの、すべての職人たちの熱意と技術、そしてT様の夢と希望が結集され、一つの美しい住まいとして完成しました。

性能向上リノベーションは、単なる改装工事とは異なり、住まいそのものの価値を大幅に高めるもの。それは、ただの物理的な変化だけでなく、住む人の心にも大きな変化をもたらします。

T様の住まいも、その最たる例でした。新しい構造や設備、素材の選択、そして何よりもT様のこだわりが詰まったこの住まいは、まさにオンリーワンの存在となりました。そして、このリノベーションの背後には、一棟一棟異なる特性を持つ住まいに対する真摯な取り組みがありました。パターン化できない難易度の高い工事だからこそ、その完成は一段と特別なものとなります。

T様のお母さまの老後を考慮したこの住まいは、これからも長い年月、温かく、そして安全にT様一家を守り続けることでしょう。竣工の日、T様の笑顔と感謝の言葉が、すべての努力と時間を報われる瞬間となりました。この物語は、新しい住まいとともに、新たな章へと進んでいくのです。


  =外観==  

Before

東京都渋谷区 T様邸 既存

施工前はベランダが坂道に面してしたため、通る人の視線が気になります。

After

東京都渋谷区 T様邸 竣工

施工後は坂道に面した箇所を減築しました。屋上は十分な壁の高さを確保し、視線を避けたつくりとなっています。

東京都渋谷区 T様邸 竣工
東京都渋谷区 T様邸 竣工

既存は開き扉の玄関ドアでしたが、施工後は引戸に変更。YKKapコンコード防火引戸です。


  == 1階 LDK==  

Before

東京都渋谷区 T様邸 既存

施工前はキッチンと居間が分断されていて使いづらいLDKでした。

After

東京都渋谷区 T様邸 竣工

施工後は階段の位置をずらし、浴室と洗面所を2階へ移動することで広い空間を確保しました。

東京都渋谷区 T様邸 竣工
東京都渋谷区 T様邸 竣工
東京都渋谷区 T様邸 竣工

  == 自然素材 無垢材の利用==  

渋谷区T様邸のフローリングは、赤松の無垢材を採用しています。

階段も赤松無垢、手すりは赤松です。

扉と家具は杉無垢材で造作しました。

東京都渋谷区 T様邸 竣工
東京都渋谷区 T様邸 竣工
東京都渋谷区 T様邸 竣工

  == 水まわり==  

Before

東京都渋谷区 T様邸 既存

施工前はタイル張りの在来工法浴室でした

After

東京都渋谷区 T様邸 竣工

施工後はTOTOシンラ 肩楽湯、おそうじ床ワイパー付です

東京都渋谷区 T様邸 竣工

キッチンはTOTOザ・クラッソ タッチ式水栓付

東京都渋谷区 T様邸 竣工

洗面台はTOTOオクターブ トイレはTOTOネオレスト

東京都渋谷区 T様邸 竣工

玄関の手洗いボウルはカクダイ製、水栓はTOTO製です


  == 屋上==  

Before

東京都渋谷区 T様邸 既存

After

東京都渋谷区 T様邸 竣工

念願の屋上は日当たり十分ながらも、通りからの視線を避けられる高さの壁で囲いました。

東京都渋谷区 T様邸 竣工
東京都渋谷区 T様邸 竣工

ハイウィル株式会社 代表 稲葉高志

4 担当者より(ハイウィル株式会社四代目代表稲葉高志)

 

T様の住まいのリノベーションは、私たちハイウィル株式会社にとっても特別なプロジェクトでした。越境問題や再建築不可の課題など、多くの困難がありましたが、それを乗り越えることで、より一層の成果を得ることができました。私たちの技術や経験を最大限に活かし、T様の理想とする住まいを実現するために全力を尽くしました。

このようなプロジェクトを通じて、私たちは常に新しい挑戦を恐れず、お客様のために最善を尽くすことの大切さを再認識しました。

T様には、私たちと一緒にこの道のりを歩んでいただき、心から感謝しております。今後とも、ハイウィル株式会社をどうぞよろしくお願い申し上げます。

この度はご依頼をいただき、誠にありがとうございました。

全国のフルリフォーム・リノベーション『ピックアップ事例』※プロの詳細解説付きレポート

HEAT20-G2/耐震等級3
新耐震基準の性能向上リノベーション
築30年ハウスメーカー軽量鉄骨
断熱改修&リノベーション
 
中古住宅を新築以上の耐震性能と断熱性能へ!
耐震等級3フルリフォーム
地下付き木造2階建て
自然素材をつかった性能向上リノベーション&フルリフォーム

東京都文京区 K様邸

長屋を切り離して1つの構造体へフルリフォーム&リノベーション
隣家との距離がない!
部屋から外壁を張り替えるフルリノベーション
中古住宅を耐震等級3へ!
中古住宅リノベーション
 
基礎がない??
築60年の古屋をジャッキアップで基礎新設フルリノベーション

東京都渋谷区 O様邸

戸建てリノベーション・リフォームに関するお問合せはこちら

増改築.comの一戸建てリフォーム専用ホームページに
お越しいただき、誠に有難うございます。
 
増改築.comメンバーは技術集団となり、
他社のような営業マンがおりません。
技術者が直接ご相談にのり問題解決を行います。
 
従いまして、
お客様の方である程度のご要望が整理されました段階、
お悩みが工事内容のどのようなところにあるのか?
ご予算がどの程度絞る必要があるのか?
など明確になった段階でのご相談をお願いしております。
お問合せ・ご相談はお電話・メールにて受け付けております。
メールの場合は以下のフォームに必要事項をご記入の上、
「送信する」ボタンをクリックをお願いします。

代表稲葉高志

戸建てリノベーションの専属スタッフが担当致します。
一戸建て家のリフォームに関することを
お気軽にお問合せください

よくあるご質問
  • 他社に要望を伝えたところできないといわれたのですが・・・
  • 他社で予算オーバーとなってしまい要望が叶わないのですが・・・
  • サービスについて詳しく聞きたいのですが・・・

どのようなお悩みのご相談でも結構です。

あなたの大切なお住まいに関するご相談をお待ちしております。

営業マンはおりませんので、しつこい営業等も一切ございません。

設計会社(建築家様)・同業の建築会社様のご相談につきましては、プランと共にご指定のIw値及びUa値等の性能値の目安もお願い申し上げます。

2026年の大型補助金が確定したことで現在大変込み合っております。

耐震性能と断熱性能を向上させるフルリフォームには6か月~7か月の工期がかかります。

補助金獲得には年内に報告を挙げる必要があることから、お早目にご相談をお願いいたします。(6月着工までが目安

ご提案までに大変お時間がかかっております。ご了承のほどお願い申し上げます。

(5月までの着工枠が埋まりました)・・・2026/03/01更新

※すでにプランをお持ちのお施主様・設計資料をお持ちのお施主様は内容をフォームで送信後、フォーム下のメールアドレスに資料をお送りください。対応がスムーズです。

必須

(例:増改築太郎)

必須

(例:contact@high-will.co.jp)

(例:03-5615-2826)

必須

(例:東京都荒川区西日暮里2-35-1)

(例:築40年)

(例:25坪・100㎡など)

(例:2000万程度など)

  • ※再建築不可のリフォームでは金融機関が限られます。事前審査をお勧めいたします。

    (例:2024年3月くらいに完成希望など)

    必須

    できるだけ具体的にお知らせくださいませ。既存設計資料、リフォーム後のイメージ図等をお持ちであれば下記のメールアドレスより添付をお願いします。

    ※次の画面がでるまで、4~5秒かかりますので、
    続けて2回押さないようにお願いいたします。

    ※次の画面が出るまで、4〜5秒かかりますので、
    続けて2回押さないようにお願いいたします。

    図面や写真等を送信いただく場合、また入力がうまくいかない場合は、上記内容をご確認のうえ、下記メールアドレスまでご連絡ください。

    お電話でのお問合せはこちら

    0120-246-991

    営業時間:10:00~17:00(土日祝日を除く)

    ★YouTube「増改築.comチャンネル」チャンネル登録して新動画解説をいち早くGET!!★
    「増改築.comリノベ診断」であなたに一番ふさわしいフルリフォームを診断!!(動画解説付き)
    ★Facebookページにいいね!を押して最新コンテンツ情報をいち早くGET!!★

    4代目代表よりご挨拶

    稲葉高志

    親切・丁寧な対応をモットーとしておりますのでお気軽にご相談ください。